Pompa injectie buldoexcavator Case 580 SR cod 0460424424

original
5.592,44 Lei
In stoc
Limita stoc
Adauga in cos
Cod Produs: 0460424424 Ai nevoie de ajutor? 0744774640
Adauga la Favorite Cere informatii
  • Descriere
  • Review-uri (0)
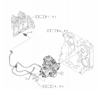
Pompa injectie buldoexcavator Case 580 SR .
cod Bosch 0460424424 , VE4/12F1100L2035 2856207 , 504251949
alte utilaje compatibile : New Holland B95BTC, B90B, B110B, B95B
Informatii conformitate produs
Daca doresti sa iti exprimi parerea despre acest produs poti adauga un review.

Review-ul a fost trimis cu succes.

Compara produse

Trebuie sa mai adaugi cel putin un produs pentru a compara produse.

A fost adaugat la favorite!

A fost sters din favorite!